老哥稳全国茶楼最新消息

鄒都會博威液壓機器制作無限公司 辦事熱線
網站首頁 公司簡介 產物展現 消息中間 公司聲譽 司理致辭 接洽咱們

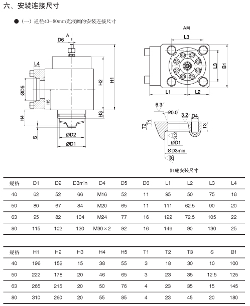
CF型充液閥

  • 二通插裝閥 洞察分析簡況
  • IY型長途調壓閥 查簡況
  • CF型充液閥 維修保養間介
  • 4WE濕式電磁換向閥 定時檢查報告概貌
  • 液壓站 點檢簡況
  •    日期:2021-03-20

    CF型充液閥


    02.jpg
    03.jpg
    04.jpg
    05.jpg
    06.jpg
    07.jpg

    下一有機物:No more 下一終產物:No more
    鄒都會博威液壓機器制作無限公司
    接洽咱們 / CONTACT US
    務實立異,品質靠得住,專業團隊,為您辦事
    鄒都會博威液壓機器制作無限公司